Шкода фелиция привод генератора
Снятие и установка генератора
Продольный разрез генератора

1 — Передняя крышка; 2 — Задняя крышка; 3 — Плата с диодами; 4 — Контактные кольца; 5 — Задний подшипник; 6 — Щеткодержатель; 7 — Регулятор напряжения; 8 — Щетки; 9 — Статор с обмотками; 10 — Ротор; 11 — Передний подшипник; 12 — Шкив; 13 — Гайка; 14 — Крыльчатка; 15 — Обмотка ротора
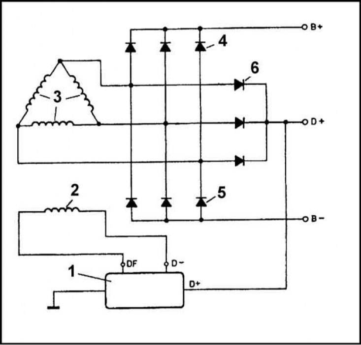
Схема подключения обмоток генератора

1 — Регулятор напряжения; 2 — Обмотка возбуждения; 3 — Обмотка статора; 4 — «Положительные» выпрямительные диоды; 5 — «Отрицательные» выпрямительные диоды; 6 — Диоды обмотки возбуждения
На рассматриваемых автомобилях используется синхронный генератор переменного тока со встроенным выпрямителем.
Принципиально все применяемые для комплектации генераторы (см. Спецификации) устроены одинаково. Частичный продольный разрез генератора представлен на иллюстрации, схема подключения обмоток — на иллюстрации ниже.
Корпус генератора состоит из двух крышек (передней и задней), скрепленных тремя длинными сквозными болтами М5. Внутри корпуса неподвижно закреплен статор. На изолированные металлические пластины статора намотаны три проволочные обмотки, соединенные между собой треугольником. Обмотки статора подключены к девяти выпрямительным кремниевым диодам, размещенным на платах и кронштейнах внутри корпуса генератора. Диоды осуществляют выпрямление генерируемого в обмотках переменного тока.
В обеих крышках корпуса генератора помещено по шариковому подшипнику, в которые посажен вал ротора. На валу ротора закреплены магниты характерной «клювообразной» формы, охватывающие обмотку возбуждения. На том же валу установлены контактные кольца. Кольца изолированы от вала и подключены к выводам обмотки возбуждения.
В контактные кольца упираются подпружиненные угольные щетки. Одна из 5.щеток подключена к клемме D+, вторая — к клемме D-. Провода от обеих клемм выведены наружу через заднюю крышку. При включении зажигания, когда двигатель еще не запущен, запитывается следующая электрическая цепь: положительная клемма батареи — контакты выключателя зажигания — контрольная лампа — регулятор напряжения — обмотка возбуждения генератора — масса. При этом включается контрольная лампа в приборном щитке автомобиля.
По завершении запуска двигателя, когда частота вращения коленчатого вала превысит 900 об/мин, генератор возбуждается и начинает вырабатывать переменный ток, выпрямляемый затем диодной сборкой. На клемме D+ при этом появляется напряжение и, поскольку разницы потенциалов на контрольной лампе уже нет, она гаснет. В обмотку возбуждения ток поступает через три диода (6) и регулятор напряжения. Диоды, называемые диодами возбуждения, работают аналогично диодам (4) и (5), с той лишь разницей, что их нагрузкой является только обмотка возбуждения и регулятор напряжения, ввиду чего они меньше по размеру и не нуждаются в теплоотводящих радиаторах.
Ток между генератором и аккумуляторной батареей может течь только в одном напрвлении — от генератора к батарее. В противоположную сторону его не пропускает диодная выпрямительная сборка.
Величина напряжения, создаваемого генератором, регулируется изменением тока возбуждения в обмотке ротора. Эту функцию выполняет регулятор напряжения.
Шкив в крыльчаткой обдува крепятся на валу ротора при помощи законтренной гайки М14.
Кронштейн регулировочной планки корректировки усилия натяжения приводного ремня крепится на головке цилиндров при помощи гайки крепления головки. Гайка навернута на болт М8х20.
Снятие
1. Отсоедините отрицательный провод от батареи.
2. Снимите ремень привода вспомогательных агрегатов со шкива генератора.
Модели 1.3 л
1. Снимите защитный колпачок, снимите гайку с шайбами и скиньте клемму провода питания с контактной шпильки генератора.



2. Отсоедините от генератора сигнальный провод.
3. Отдайте болт(ы) верхней опоры генератора.




Дизельные модели и модели 1.6 л

1. Рассоедините на генераторе разъем сигнального провода.
2. Снимите защитный колпачок, отдайте гайку, снимите шайбы и отсоедините от генератора клемму провода питания.




Все модели
Если имеется необходимость с снятии модуля щеткодержателя/регулятора напряжения, обратитесь к материалам Раздела Замена модуля щеткодержателя/регулятора напряжения.
Установка
1. Установка производится в обратном порядке. Проследите за правильностью прокладки и регулировки натяжиения приводного ремня.
2. Затяните весь крепеж с требуемым усилием.
Skoda Felicia 1.9 D 5дв. хэтчбек, 64 л.с, 5МКПП, 1998 – 2001 г.в. — неисправности генератора
Основные неисправности генератора
При проверке генератора, а также при эксплуатации автомобиля необходимо соблюдать ряд простых правил, чтобы не вывести генератор из строя:
– не допускать работу генератора с отключенной аккумуляторной батареей;
– не проверять работу генератора на «искру», так как при этом через диоды протекает значительный ток, и они выходят из строя;
– не проверять диоды напряжением более 12 В или мегомметром;
– при проведении электросварочных работ отключать все провода от генератора и от аккумуляторной батареи;
– проверять узлы и цепи электрооборудования и устранять неисправности при неработающем двигателе и отключенной аккумуляторной батарее.
Ослабло крепление проводов на генераторе
или аккумуляторной батарее,
окислились клеммы аккумуляторной батареи,
Затяните клеммы, зачистите клеммы аккумуляторной батареи,
3амените щеткодержатель в сборе с щетками
Проверьте пайку выводов обмотки возбуждения к контактным кольцам
и при необходимости восстановите ее
Устраните причину замасливания
Выход из строя подшипников генератора
Задевание ротора полюса статора
3амените дефектные подшипники
Неисправности генератора — признаки, диагностика, причины, проверка
Распространенные неисправности генератора:
износ или повреждение шкива;
износ токосъемных щеток;
износ коллектора (токосъемных колец);
повреждение регулятора напряжения;
замыкание витков статорной обмотки;
износ или разрушение подшипника;
повреждение выпрямителя (диодного моста);
повреждение проводов зарядной цепи.
Распространенные неисправности аккумуляторной батареи:
короткое замыкание электродов/пластин батареи;
механическое или химическое повреждение пластин аккумулятора;
нарушение герметичности банок аккумуляторов — трещины корпуса аккумулятора в результате ударов или неправильной установки;
химическое окисление выводных клемм аккумулятора. Основными причинами указанных неисправностей являются:
грубые нарушения правил эксплуатации;
истечение срока службы изделия;
различные производственные дефекты.
Безусловно, конструкция генератора сложнее аккумуляторной батареи. Вполне резонно, что и неисправностей генератора в разы больше, и диагностика их значительно сложнее.
Автомобилисту очень полезно знать основные причины неисправностей генератора, способы их устранения, а также профилактические меры по предотвращению поломок.
Все генераторы подразделяются на генераторы переменного и постоянного тока. Современный легковой транспорт оснащается генераторами переменного тока с встроенным диодным мостом (выпрямителем). Последний необходим для преобразования тока в постоянный, на котором работают электропотребители автомобиля. Выпрямитель, как правило, находится в крышке или корпусе генератора и представляет с последним одно целое.
строение генератора. Генератор в деталях
Все электроприборы автомобиля рассчитаны на строго определенный диапазон рабочих токов по напряжению. Как правило, рабочие напряжения — в диапазоне 13,8–14,7 В. Ввиду того, что генератор «привязан» ремнем к коленчатому валу двигателя, от разных оборотов и скорости движения автомобиля, он будет работать по-разному. Именно для сглаживания и регулирования выдаваемого тока предназначен реле-регулятор напряжения, играющего роль стабилизатора и предотвращающего как скачки, так и провалы рабочего напряжения. Современные генераторы снабжены встроенными интегральными регуляторами напряжения, в просторечье именуемые «шоколадкой» или «таблеткой».
Уже понятно, что любой генератор это достаточно сложный агрегат, чрезвычайно важный для любого автомобиля.
Виды неисправностей генератора
Ввиду того, что любой генератор — это электромеханическое устройство, соответственно и разновидностей неисправностей будет две — механические и электрические.
К первым относятся разрушение креплений, корпуса, нарушение работы подшипников, прижимных пружин, ременного привода и другие, не связанные с электрической частью поломки.
К электрическим неисправностям относятся обрывы обмоток, неисправности диодного моста, выгорание/износ щеток, межвитковые замыкания, пробои, биения ротора, неисправности реле-регулятора.
Основные неисправности генератора
Нередко симптомы, указывающие на характерные неисправного генератора, могут появиться и вследствие совершенно других неполадок. Как пример — плохой контакт в гнезде предохранителя цепи обмотки возбуждения генератора покажет на неисправность генератора. То же подозрение может возникнуть из-за обгоревших контактов в корпусе замка зажигания. Так же, постоянное горение лампы-сигнализатора неисправности генератора может быть вызвано поломкой реле, мигание этой лампы включающего может свидетельствовать о неисправности генератора.
Основные признаки неисправности автогенератора:
При работающем двигателе мигает (или непрерывно горит) контрольная лампа разряда аккумулятора.
Разрядка или перезаряд (выкипание) аккумуляторной батареи.
Тусклый свет автомобильных фар, дребезжащий или тихий звуковой сигнал при работающем двигателе.
Значительное изменение яркости фар при увеличении числа оборотов. Это может быть допустимо при увеличении оборотов (перегазовки) с режима холостого хода, но фары, загоревшись ярко, дальше яркость свою увеличивать не должны, оставаясь в одной интенсивности.
Посторонние звуки (вой, писк) исходящие от генератора.
Необходимо регулярно контролировать натяжение и общее состояние ремня привода. При трещинах и расслоениях необходима немедленная замена.
Технические характеристики Skoda Felicia 1.9 D / Шкода Фелиция в кузове 5 дв. хэтчбек с двигателем 64 л.с, 5МКПП, выпускавшихся c 1998 г. по 2001 г.
Генератор на Skoda Felicia I
Перед покупкой уточните совместимость запчасти с вашим автомобилем.



Нашли ошибку совместимости запчасти с автомобилем? Сообщите о ней нашим специалистам.
Экспертам АвтоПро известны дополнительные комплектации:
- Напряжение, В: 14, Ток генератора, А: 70 : 0986036961, 058903018V, 058903018X, 058903018, 0123310022, 0986039550, 0123310047, L39550, 5DR004246451, 047903015K, 047903015J, 115901253, 115901253, 047903015K, 047903015K, 0986049380, AX1081, AX1106, AX1071, 058903016, 0123310044, LRB00347, 437495, 90121, 90122, 90095, 443113516631, 986049380, CA1093IR, 111093, 115901253, A9015, 10926, 0123310038, 0986040880, AX1025, 437696, 111255, 111825
- Напряжение, В: 14, Ток генератора, А: 55; Число канавок: 4, Диаметр шкива, мм: 49,5 : 1340725W, 110850, LRB00348, LRB00348
- Напряжение, В: 14, Ток генератора, А: 90 : 0986049390, 004003226, CA1626IR, 111626, A9034
- Напряжение, В: 14, Ток генератора, А: 70; Клемма: PL23, Число канавок: 6, Диаметр шкива, мм: 49,5 (Гидроусилитель руля) : 0986039010, 7203194, 1012451, 0123310003, AX1020, 1313625W, 037903023QX, 028903025H, 028903018X, VA364, NA455, A11VI64, A11VI62, A11VI36, A11VI35, 2541819, 2541802, 2541676, 2541675, 439031, 439001, 436482, 436442, LRB00145, 0986038390, 0123315002, 0123310032, 0123310025, 0123310024, 0123310019, 0123310001, 0120485043, 9038390, 110827, 111263, 13902N, 028903018V, L38390, 037903023QV, B120310084, CA827IR, 13902N, 0123310019RG, A0131
- Напряжение, В: 14, Ток генератора, А: 90; Клемма: PL23, Диаметр шкива, мм: 56 : 028903018AV, 028903018AX, 0123320034, 037903025C, 0986040940, LRB00387, AX1034, XAL1256, 0123320027, 437477, 028903018A, 7764585, L38370, 56703, 8EL012427961, 111240, 442020, 1313225W, 123320027, L40940, A0080, 06261
- Напряжение, В: 14, Ток генератора, А: 90; Клемма: PL23, Число канавок: 6, Диаметр шкива, мм: 49,5 (Кондиционер) : 0123320019, 1406089, 436483, A13VI114, 037903023GX, 037903023G, VA365, NA438, A13VI41, A13VI124, 2541815B, 2541815A, 2541417K, 2541815, 2541417, 439003, 436444, LRB00147, 7203201, 1031896, 9123320007, 0986038370, 0123340003, 0123320017, 0123320007, 0123320001, 210224, 9038370, 110736, 0120485038, 037903023GV, 2541801, 13381N6G, 028903025Q, 028903025QX, CA736IR, AX1092, 13381N6G, 074903023Q, 111477, A0077
- Напряжение, В: 14, Ток генератора, А: 70; Клемма: PL23, Число канавок: 6, Диаметр шкива, мм: 48 : 030903023EV, 028903025GV, 030903023EX, 030903023E, 028903025GX, 028903025G, VA366, A11VI66, 439000, 436363, LRB00144, 0986038070, 0986037070, 0123315001, 0123310020, 0123310002, 0120485034, NA450, A11VI21, 2541821A, 2541821, 2541410, L38070, 110733, 670250, 1180901BO, B120310087, B120411203, B120411204, CA733IR, A0202
- Напряжение, В: 14, Ток генератора, А: 70; Число канавок: 6, Диаметр шкива, мм: 55 (Гидроусилитель руля) : 0986040870, 0123310037, 437479, 56691, 111267
- Напряжение, В: 14, Ток генератора, А: 90; Число канавок: 5, Диаметр шкива, мм: 55,5 : ATSCA1226, 0986040930, 0123320033, CA1226IR, 111226
Данная запчасть зависит от двигателя Skoda Felicia и его модификаций
- 1.3 [135 B, AMG, 135 L, AMJ, AMH, 136 B]: 0986036961, 058903018V, 058903018X, 058903018, 0123310022, 0986039550, 0123310047, L39550, 5DR004246451, 047903015K, 047903015J, 115901253, 115901253, 047903015K, 047903015K, 0986049380, AX1081, AX1106, AX1071, 058903016, 0123310044, LRB00347, 437495, 90121, 90122, 90095, 443113516631, 986049380, CA1093IR, 111093, 115901253, A9015, 10926
- 1.3 [135 B, AMG, 135 L, AMJ, 136 B]: 1340725W, 110850, LRB00348, LRB00348
- 1.3 [AMG, 135 L, AMJ, AMH, 136 B]: 0986049390, 004003226, CA1626IR, 111626, A9034
- 1.6 LX AEE: 0986039010, 7203194, 1012451, 0123310003, AX1020, 1313625W, 037903023QX, 028903025H, 028903018X, VA364, NA455, A11VI64, A11VI62, A11VI36, A11VI35, 2541819, 2541802, 2541676, 2541675, 439031, 439001, 436482, 436442, LRB00145, 0986038390, 0123315002, 0123310032, 0123310025, 0123310024, 0123310019, 0123310001, 0120485043, 9038390, 110827, 111263, 13902N, 028903018V, L38390, 037903023QV, B120310084, CA827IR, 13902N, 0123310019RG, A0131, 028903018AV, 028903018AX, 0123320034, 037903025C, 0986040940, LRB00387 и другие.
- 1.9D AEF: ATSCA1226, 0986040930, 0123320033, CA1226IR, 111226, 0123310038, 0986040880, AX1025, 437696, 111255, 111825
Запчасть Генератор подходит только для Skoda следующих моделей:
- Favorit хэтчбек (781)
- Favorit универсал (785)
- Favorit пикап (787)
- Felicia хэтчбек (791, 6U1)
- Felicia универсал (795)
- Felicia пикап (797)
- Felicia хэтчбек (6U)
Купить Генератор на Skoda Felicia I хэтчбек аналог или оригинал
Цена на Генератор для Skoda Felicia I б/у и новую
© 2021 Автопро
Запчасти без посредников
Генератор Skoda Felicia

- Ток зарядки от генератора (А): 120
- Ограничение производителя: Bosch
- Спецификация: Without Pulley
- Модель бортовой сети: для транспортного средства с 24В бортовой сетью

- Ток зарядки от генератора (А): 110
- Ограничение производителя: Bosch
- Количество ребер: 5
- Направление вращения: по часовой стрелке
- Модель бортовой сети: для транспортного средства с 24В бортовой сетью

- Ток зарядки от генератора (А): 80
- Напряжение [В]: 28

- Напряжение [В]: 12
- Ток зарядки от генератора (А): 70
- Количество ребер: 4
- Диаметр шкива [мм]: 48

- Ток зарядки от генератора (А): 110
- Напряжение [В]: 28

- Напряжение [В]: 14
- Ток зарядки от генератора (А): 90

- Напряжение [В]: 14
- Ток зарядки от генератора (А): 70
- Идентификационный номер исполнения штекерного разъема: B+ D+ W

- Напряжение [В]: 14
- Ток зарядки от генератора (А): 90
- Идентификационный номер исполнения штекерного разъема: B+ D+ W

- Напряжение [В]: 14
- Ток зарядки от генератора (А): 70
- Количество ребер: 6
- Диаметр шкива [мм]: 49

- Напряжение [В]: 14
- Ток зарядки от генератора (А): 70
- Диаметр шкива [мм]: 55
- Идентификационный номер исполнения штекерного разъема: B+ D+ W

- Напряжение [В]: 14
- Ток зарядки от генератора (А): 70
- Количество ребер: 6
- Диаметр шкива [мм]: 48

- Напряжение [В]: 12
- Ток зарядки от генератора (А): 120
- Модель бортовой сети: для транспортного средства с 12В бортовой сетью

- Напряжение [В]: 14
- Ток зарядки от генератора (А): 90
- Количество ребер: 6
- Диаметр шкива [мм]: 50

- Новая деталь
- Напряжение [В]: 14
- Ток зарядки от генератора (А): 120
- Тип крепления: Двойное крепление через проушины
- Положение / градусы: R 90
- Направление вращения: по часовой стрелке
- Ременной шкив: с ремённым шкивом
- Количество ребер: 6
- Диаметр шкива [мм]: 49.08
- Присоединение / зажим: без подсоединения для тахометра
- Дополнительный артикул / Дополнительная информация: с встроенным регулятором
- Вес [кг]: 6.58

- Модель бортовой сети: для транспортного средства с 12В бортовой сетью
- Напряжение [В]: 12
- Ток зарядки от генератора (А): 90
- Количество ребер: 6
- Диаметр шкива [мм]: 48
- Клемма: B+ M6
- Длина 2 [мм]: 33
- Длина 1 [мм]: 33
- Ø отверстия 1 [мм]: 8
- Длина 3 [мм]: 66
- Толщина 1 [мм]: 16
- Вес нетто [кг]: 5.6

- Напряжение [В]: 14
- Ток зарядки от генератора (А): 70

- Длина 1 [мм]: 33
- Длина 2 [мм]: 14
- Длина 3 [мм]: 66
- Напряжение [В]: 12
- Ток зарядки от генератора (А): 90

- Напряжение [В]: 12
- Ток зарядки от генератора (А): 90
- Количество ребер: 6
- Диаметр шкива [мм]: 50

- Ток зарядки от генератора (А): 55
- Напряжение [В]: 12
- Ременной шкив: Шкив зубчатого ремня
- Количество канавок: 4
- Заменяемая часть
- Гарантия: 2 года гарантии

- Расстояние от ременного шкива до генератора [мм]: 42
- Диапазон разброса [мм]: 66
- Напряжение заряда [В]: 14
- Ток зарядки от генератора (А): 90
- Ременной шкив: с многоручейковым ручейковым шкивом
- Количество ребер: 6
- Диаметр шкива [мм]: 50

- Напряжение [В]: 24
- Ток зарядки от генератора (А): 110
- Идентификационный номер исполнения штекерного разъема: CPA0142
- Ременной шкив: безремённого шкива
- Дополнительный артикул / Дополнительная информация: с встроенным регулятором
- Количество крепежных отверстий: 3

- Напряжение [В]: 12
- Ток зарядки от генератора (А): 70
- Качество: Genuine Pal Magneton

- Напряжение [В]: 24
- Ток зарядки от генератора (А): 110
- Идентификационный номер исполнения штекерного разъема: PLUG637
- Вес [г]: 7900
- Ременной шкив: безремённого шкива
- Дополнительный артикул / Дополнительная информация: с встроенным регулятором

- Количество ребер: 6
- Заменяемая часть
- Ток зарядки от генератора (А): 90
- Ременной шкив: Шкив зубчатого ремня
- Диаметр шкива [мм]: 49.5
- Напряжение [В]: 14

- Заменяемая часть
- Номинальное напряжение [V]: 14
- Ток зарядки от генератора (А): 70
- Рекомендуемые дополнительные ремонтные работы: Клиновой ремень / поликлиновой ремень

- Напряжение [В]: 14
- Ток зарядки от генератора (А): 90

- Напряжение [В]: 14

- Ток зарядки от генератора (А): 70
- Напряжение [В]: 12
- Ременной шкив: Шкив зубчатого ремня
- Количество канавок: 4
- Заменяемая часть
- Гарантия: 2 года гарантии

- Диапазон разброса [мм]: 80
- Напряжение заряда [В]: 28
- Ток зарядки от генератора (А): 120
- Ременной шкив: безремённого шкива

- Напряжение [В]: 24
- Ток зарядки от генератора (А): 110
- Идентификационный номер исполнения штекерного разъема: CPA0142
- Ременной шкив: безремённого шкива
- Дополнительный артикул / Дополнительная информация: с встроенным регулятором
- Количество крепежных отверстий: 3
- ←
- 1
- 2
- 3
- →
Генератор Skoda Felicia — оригиналы и аналоги, по низким ценам от прямых производителей и дистрибьютеров. Гарантия на весь товар и легкий возврат. Огромный выбор с проверкой по Вин коду. Консультации специалистов и удобный подбор в оригинальных каталогах. Ассортимент нашего интернет-магазина, один из самых больших в России.
Независимо от того, где вы находитесь, мы доставим товар в указанные сроки, и он гарантированно подойдет на заявленный автомобиль. Мы знаем все о специфичности запчастей и их применимости. Не сомневайтесь в выборе той или иной запчасти, мы все равно проверим каждый заказ на соответствие и перезвоним, таким образом мы страхуем вас от возможных ошибок, обеспечиваем лучший сервис при покупке и безупречную поддержку клиентов.
Шкода фелиция привод генератора

- ТО и фильтра
- Расходники
- Аккумулятор
- Комплект ГРМ
- Ремень ГРМ
- Свеча зажигания
- Тормозные диски
- Тормозные колодки
- Фильтра
- Воздушный фильтр
- Масляный фильтр
- Топливный фильтр
- Фильтр коробки
- Фильтр салона
- Расходники
- Тормозная система
- Тормозные элементы
- Комплект направляющей суппорта
- Ремкомплект барабанных колодок
- Скобы тормозных колодок
- Тормозной барабан
- Тормозной поршень
- Тормозные диски
- Тормозные колодки
- Тормозные колодки барабанные
- Трос ручного тормоза
- Гидравлика тормозной системы
- Вакуумный насос
- Вакуумный усилитель тормозов
- Главный тормозной цилиндр
- Рабочий тормозной цилиндр
- Распределитель тормозных усилий
- Ремкомплект главного тормозного цилиндра
- Ремкомплект тормозного суппорта
- Ремкомплект тормозного цилиндра
- Скоба тормозного суппорта
- Тормозной суппорт
- Тормозной шланг
- Электронные компоненты
- Датчик АБС
- Датчик износа тормозных колодок
- Тормозные элементы
- Двигатель и выхлоп
- Детали двигателя
- Cальники клапанов
- Болт ГБЦ
- Воздушный патрубок
- Гидрокомпенсаторы
- Клапан впускной
- Клапан выпускной
- Комплект поршневых колец
- Коренной вкладыш
- Коромысло
- Крышка масло заливной горловины
- Масляный насос
- Масляный поддон
- Направляющая клапана
- Патрубок вентиляции картера
- Подушка двигателя
- Полукольца коленвала
- Поршень
- Пробка поддона
- Распредвал
- Регулировочная шайба клапанов
- Сальник коленвала
- Сальник распредвала
- Сухарь клапана
- Цепь масляного насоса
- Шатунный вкладыш
- Шестерня коленвала
- Шестерня распредвала
- Щуп масляный
- Прокладки двигателя
- Комплект прокладок двигателя
- Прокладка впускного коллектора
- Прокладка выпускного коллектора
- Прокладка ГБЦ
- Прокладка клапанной крышки
- Прокладка масляного поддона
- Ремни, цепи и натяжители
- Клиновой ремень
- Комплект ГРМ
- Комплект цепи ГРМ
- Натяжитель ремня генератора
- Натяжитель ремня ГРМ
- Натяжитель цепи ГРМ
- Натяжной ролик ремня ГРМ
- Ремень генератора
- Ремень ГРМ
- Ролик ремня генератора
- Ролик ремня ГРМ
- Успокоитель цепи ГРМ
- Цепь ГРМ
- Шкив коленвала
- Система выпуска
- Глушитель выхлопных газов
- Гофра глушителя
- Катализатор
- Крепление глушителя
- Прокладка глушителя
- Хомуты глушителя
- Топливная система и управление двигателем
- Датчик давления масла
- Датчик положения дроссельной заслонки
- Датчик положения коленвала
- Лямбда-зонд
- Насос высокого давления
- Прокладка под форсунку
- Расходомер воздуха
- Топливный насос
- Форсунка
- Турбины и компрессоры
- Интеркулер
- Прокладка турбины
- Турбина
- Фильтра
- Воздушный фильтр
- Масляный фильтр
- Топливный фильтр
- Фильтр салона
- Детали двигателя
- Подвеска и рулевое
- Подвеска
- Амортизаторы
- Болт крепления колеса
- Втулка стабилизатора
- Комплект пыльника и отбойника амортизатора
- Опора амортизатора
- Отбойник
- Подшипник ступицы
- Пружина подвески
- Пыльник амортизатора
- Рычаг подвески
- Сайлентблок задней балки
- Сайлентблок рычага
- Стойка стабилизатора
- Ступица
- Шаровая опора
- Рулевое управление
- Наконечник рулевой тяги
- Насос гидроусилителя руля
- Пыльник рулевой рейки
- Рулевая рейка
- Рулевая тяга
- Подвеска
- Коробка передач
- Запчасти трансмиссии
- Подушка коробки передач (АКПП)
- Подушка коробки передач (МКПП)
- Полуось в сборе
- Прокладка поддона АКПП
- Пыльник шруса
- Сальник полуоси
- Фильтр масляный АКПП
- ШРУС
- Сцепление
- Выжимной подшипник
- Главный цилиндр сцепления
- Диск сцепления
- Комплект сцепления
- Корзина сцепления
- Маховик
- Рабочий цилиндр сцепления
- Запчасти трансмиссии
- Охлаждение и отопление
- Охлаждение
- Вентилятор системы охлаждения двигателя
- Крышка радиатора
- Крышка расширительного бачка
- Помпа (водяной насос)
- Радиатор охлаждения двигателя
- Расширительный бачок
- Термостат
- Система кондиционирования
- Испаритель
- Компрессор кондиционера
- Осушитель кондиционера
- Пневматический клапан кондиционера
- Радиатор кондиционера
- Расширительный клапан кондиционера
- Система отопления
- Вентилятор салона
- Радиатор печки
- Охлаждение
- Электрика и освещение
- Зажигание
- Катушка зажигания
- Свеча накаливания
- Освещение
- Выключатель стоп-сигнала
- Задний фонарь
- Лампа ближнего света
- Основная фара
- Противотуманная фара
- Указатель поворотов
- Электрика
- Аккумулятор
- Генератор
- Датчик включения вентилятора
- Датчик скорости
- Датчик температуры охлаждающей жидкости
- Кнопка стеклоподьемника
- Мост (выпрямитель) генератора
- Муфта генератора
- Стартер
- Зажигание
- Кузов и элементы
- Внутренние элементы
- Амортизатор багажника и капота
- Замок двери
- Стеклоподъемник
- Кузовные запчасти
- Бампер передний / задний
- Защита двигателя
- Капот
- Крыло переднее
- Наружное зеркало
- Панель передняя
- Петля капота
- Подкрылок
- Решетка радиатора
- Стекло лобовое
- Усилитель бампера
- Система стеклоочистителя
- Бачок стеклоочистителя
- Двигатель стеклоочистителя
- Насос омывателя
- Рычаг стеклоочистителя
- Трапеция стеклоочистителя
- Щетка стеклоочистителя
- Внутренние элементы
- Автомобильные лампы
- Шины для авто и мото
- Б/У автозапчасти
- Гофра глушителя
- Двигатели и КПП
- Защита картера
- Катализаторы
- Каталог запчастей LADA /ВАЗ
- Каталог отечественных авто
- Китайские авто
- Контрактные двигатели
- Моторное масло
- Товары для спорта
Звони или переходи в Чат
Помощь в подборе запчастей
Обгонная муфта генератора на Skoda Felicia (791, 6U1)
Обгонная муфта генератора б/у Skoda FELICIA I хэтчбек (791, 6U1) (1994 — 2001) на автомобилях с разборки

Нашли ошибку совместимости запчасти с автомобилем? Сообщите о ней нашим специалистам.
Экспертам АвтоПро известны дополнительные комплектации:
- Инерционный шкив АКПП, Кондиционер : 004003226A
- Шкив генератора число канавок: 6, Диаметр шкива, мм: 56; Тип: Bosch; Ширина, мм: 37 : 037903119A, 139247, F00M061031
- Тип: Bosch; Муфта свободного хода (обгонная), Число канавок: 6, Диаметр шкива, мм: 50 : 55471, 30030093, 1106734, 12317516109, 1469755, 028903119AQ, 232333, 309030119028AQ, 028903119AA, 1126601565, 1127011846, ALP2325, 11701, OAP7040, 535000110, 300083, 04919, VKM03106, GA75401, 535000110, ESAVW001, ESAVW000, 335171, 20503810, ZN5381, 55471MG, 139281, 332292, 28605, 4919, 2491105, CQ1040002, 5381, GA75401, RS100110, P5000110, 535000110, ZN5381, AFP0005
- Число канавок: 6, Диаметр шкива, мм: 56 : 14064, 038903119, 535001010, 535001010, 55467, 138203, 30140002, 335161, 718007, 5383, ZNP28584, GA75407, ZN5383, ALP2334, OAP7047, DB0250, 1220904, 14708, 300076, 04999, 2170006, VKM03101, 588014, 309030119038, ESAAU002, ORC0002, 55467MG, KR6033, 333402, 28584, 4999, CQ1040013, 38903119, P5001010, GA75407, CQ1040013, OP6005, 535001010, AFP0004
- Число канавок: 6, Диаметр шкива, мм: 68; Тип: Bosch; Ширина, мм: 37 : 038903119D, F00M991357, OP6017
- Тип: Bosch; Число канавок: 5, Диаметр шкива, мм: 56 : 535000910, 535000910, 55468, 335151, 5384, 718002, 1127011843, 138282ZE, ZN5384, ALP2333, OAP7067, 120006, 300077, 2170005, VKM03109, GA75404, 588066, ESAVW002, P5000910, ORC0001, 55468MG, 332290, 28585, 2491257, 20503840, GA75404, CQ1040560, CQ1040560, 535000910, 138282, OP5007, AFP0001
Данная запчасть зависит от двигателя Skoda Felicia и его модификаций
- 1.3 [135 B, AMG, 135 L, AMJ, AMH, 136 B]: 004003226A
- 1.6 LX AEE: 037903119A, 139247, F00M061031, 55471, 30030093, 1106734, 12317516109, 1469755, 028903119AQ, 232333, 309030119028AQ, 028903119AA, 1126601565, 1127011846, ALP2325, 11701, OAP7040, 535000110, 300083, 04919, VKM03106, GA75401, 535000110, ESAVW001, ESAVW000, 335171, 20503810, ZN5381, 55471MG, 139281, 332292, 28605, 4919, 2491105, CQ1040002, 5381, GA75401, RS100110, P5000110, 535000110, ZN5381, AFP0005, 14064, 038903119, 535001010, 535001010, 55467, 138203, 30140002, 335161 и другие.
- 1.9D AEF: 535000910, 535000910, 55468, 335151, 5384, 718002, 1127011843, 138282ZE, ZN5384, ALP2333, OAP7067, 120006, 300077, 2170005, VKM03109, GA75404, 588066, ESAVW002, P5000910, ORC0001, 55468MG, 332290, 28585, 2491257, 20503840, GA75404, CQ1040560, CQ1040560, 535000910, 138282, OP5007, AFP0001
Запчасть Шкив генератора подходит для автомобилей:
- Audi: A2 хэтчбек (8Z0) , A3 хэтчбек (8L1)
- Seat: Alhambra минивэн (7V8, 7V9) , Arosa хэтчбек (6H) , Cordoba седан (6K2, C2) , Cordoba универсал (6K5) , Cordoba седан (6K2) , Cordoba универсал (6K5) , Ibiza хэтчбек (6K1) , Ibiza хэтчбек (6K1) , Inca фургон (6K9) , Toledo седан (1L) , Ibiza хэтчбек (6L1) , Cordoba седан (6L2) , Ibiza купе (6J1) , Ibiza хэтчбек (6J5)
- Skoda: Fabia хэтчбек (6Y2) , Fabia седан (6Y3) , Fabia универсал (6Y5) , Felicia хэтчбек (791, 6U1) , Felicia универсал (795) , Felicia пикап (797) , Felicia хэтчбек (6U) , Felicia универсал (6U) , Octavia лифтбек (1U2) , Octavia универсал (1U5) , Fabia фургон (6Y) , Roomster минивэн (5J) , Fabia хэтчбек (5J2) , Fabia универсал (5J5, 545) , Praktik фургон (5J)
- Volkswagen: Caddy фургон (9K9) , Caddy пикап (9U7) , Corrado купе (53I) , Golf хэтчбек (1H1) , Golf универсал (1H5) , Golf кабриолет (1E) , Golf хэтчбек (1J1) , Golf универсал (1J5) , Lupo хэтчбек (6X, 6E) , Beetle хэтчбек (9C) , Passat седан (B3, B4, 3A2, 351) , Passat универсал (B3, B4, 3A5, 351) , Passat седан (B5, 3B2) , Passat универсал (B5, 3B5) , Polo хэтчбек (6N1) , Polo фургон (6NF) , Polo седан (6KV2) , Polo универсал (6KV5) , Polo хэтчбек (6N2) , Polo хэтчбек (9N) , Sharan минивэн (7M8, 7M9, 7M6) , Transporter автобус (70XB, 70XC, 7DB, 7DW) , Transporter фургон (70ХА) , Transporter бортовая платформа (70XD) , Vento седан (1HX0) , Beetle кабриолет (1Y7) , Polo седан (9A4)
- Ford: Galaxy минивэн (WGR) , Galaxy минивэн (WGR)
Купить шкив генератора или аналог этой запчасти для авто Шкода Фелиция
Чтобы купить ”автомобильную запчасть Шкив генератора для ремонта Вашей машины” на сайте InternetCars, Вам необходимо выполнить следующие действия:
- кликните по наиболее интересному предложению по покупке запчасти, — откроется вкладка с информацией о продавце;
- свяжитесь с продавцом любым удобным для Вас способом и обсудите соответствие кода автозапчасти и ее производителя, например: ”Обгонная муфта генератора для Шкода Фелиция 1994, 1995, 1996, 1997, 1998, 1999, 2000, 2001 годов выпуска”, а также наличие запчасти на складе.
Цена на шкив генератора на авто Skoda Felicia и стоимость аналогов
© 2021 Автопро Россия
Запчасти без посредников
Используя Автопро Россия, вы принимаете Условия использования сайта
