Управление напряжением генератора 380 в
Как я делал себе АВР для генератора

Несколько лет назад делал себе АВР (автоматический ввод резерва) для работы на даче от генератора. Сейчас многие ИТ-шники переходят на удалёнку, работают с дач, где качество электропитания может оставлять лучшего. Поэтому решил написать о своем опыте самодельного АВР на микроконтроллере ATmega8A. Если тема интересна, добро пожаловать под кат, будет много букв и кода.
О заземлении
Прежде чем что-либо делать с электричеством, нужно позаботиться о наличии хорошего заземления в вашем доме. Просто так взять и подключить обычный бытовой бензиновый/дизельный/газовый генератор к электросети дома не получится. Нужно соблюдать меры предосторожности. Первая из них – ваш генератор должен быть хорошо заземлен. Тогда у вас есть хорошие шансы не получить удар током, когда статика от вашего любимого свитера пробъёт изоляцию обмотки генератора. Вообще, к работающему генератору не стоит без нужды прикасаться.
Стоит помнить, что в сети не всегда 220В. Коммутация на линиях, грозовые разряды вдалеке, статические разряды дают такие наводки, что в сети нередки короткие импульсы в несколько киловольт. С этим борются установкой разрядников и УЗИП на вводе в дом, но это очень редкая практика в РФ. Так что пусть искра в землю уходит, и не через вас – сделайте по всему дому хорошее заземление. Без этого делать что-либо дальше просто нельзя!
О генераторах
К слову, у многих бытовых бензиновых генераторов обмотки никак не соединены с землёй. И это вполне нормально, когда вы питаете от генератора один электроинструмент. Но когда вам надо подключить генератор к дому, нужно сделать нулевой провод (N) и провод фазы (L). Для этого один из выводов генератора заземляется и из этой точки заземления уже независимо нужно вести в дом два провода – один будет нейтралью N, а второй – защитным заземлением (PE). При выборе генератора нужно обратить внимание, можно ли заземлять его выход, порой это запрещено в инструкции к генератору, тогда такой генератор вам не подойдёт.
Часто в Сети можно увидеть схемы подключения генератора без заземления и разделения линий N и PE. Не делайте так, дольше проживёте. Такие схемы хорошо работают до первого неудачного стечения обстоятельств. В типичных блоках питания современных электронных приборов стоят конденсаторы с линий L, N на землю. Если N не заземлить у генератора, то за счёт этих конденсаторов на линии N будет, если повезёт, 110 вольт относительно земли. Кстати, многие газовые котлы в таком режиме вообще перестают работать. Про влияние статики без присутствия заземления я уже писал выше.
О схемах АВР
Есть несколько разных схем реализации АВР. Дальше я буду писать о наиболее безопасной с моей точки зрения схеме однофазного АВР. Я не советую экономно делать АВР на одном контакторе или же с коммутацией только одного фазного провода. Только вместе с нейтралью.

На приведенной схеме питание от сети и от генератора подаётся через вводы 1 и 2. Они защищены спаренными автоматами. Через дополнительные автоматы питаются схемы коммутации и индикации. Видно, что катушки реле взаимно блокируются электрически. За включение того или иного ввода отвечает для упрощения не показанный на схеме микроконтроллер, который замыкает цепи в точке коммутации ТК1 или ТК2.
Принципиальным моментом является наличие в АВР 2х схем блокировок – взаимной механической блокировки коммутирующих вводы контакторов и взаимной электрической блокировки контакторов. Самодельщики ради экономии, бывает, в своих конструкциях пренебрегают этими блокировками, а зря. Схема без блокировок может проработать некоторое время, но в какой-то момент контакты пригорят, возвратные пружины ослабнут и случится КЗ между вводами. Во-первых, это грозит большим бабахом, если обе линии окажутся под напряжением, но это не самая большая проблема. Гораздо важнее, что ваш генератор неожиданно для ремонтирующих проводку электриков может выдать в общую сеть напряжение – при неблагоприятном стечении обстоятельств ремонтирующие линию электрики могут погибнуть. Для вас это уже уголовная статья.
О контакторах
Таким образом, использование обычных реле для нас отпадает, подойдут только специализированные контакторы. Для больших мощностей есть ещё вариант с моторизованными приводами, но это дорого и для типичного домашнего применения избыточно.
Чтобы сделать механическую блокировку, нужно выбрать контакторы, которые могут работать в паре. Обычно взаимная блокировка достигается установкой одинаковых контакторов рядом друг с другом и установкой дополнительной опции – механического блокиратора. Он продаётся отдельно от контакторов и стоит копейки.
Взаимная электрическая блокировка возможна, если на контакторе есть дополнительные сигнальные контакты, работающие на размыкание. Иногда они сразу встроены в контактор, иногда их можно докупить и установить как опцию.
Ведущие производители контакторов имеют в своих линейках такое оборудование. Так что найти и купить комплект не представляет особого труда. Правда цены на брендовые контакторы на порядок выше наших/китайских. Поскольку количество циклов коммутации не ожидается большим, то выбор китайских контакторов вполне оправдан. К недостаткам можно отнести только то, что катушки контактора во время работы довольно сильно гудят.
Еще по поводу коммутируемой мощности. Контакты контактора должны выдерживать максимальную мощность, которую вам разрешено потреблять в доме. У меня это 10 кВт, поэтому контакторы я выбирал на допустимый ток через один контакт примерно в 50 ампер. Стоит отметить, что по какой-то причине коммутируемая мощность для типичного трехфазного контактора указывается в паспорте суммарная для всех трёх фаз, поэтому надо внимательно смотреть, какой допустимый ток именно через один контакт.
О схеме управления
Когда я занимался созданием АВР у меня было несколько особых требований к его работе:
- У меня не так часто отключают электричество, поэтому я решил, что мне не нужен автозапуск генератора, а вот от автоматической остановки генератора я решил не отказываться: когда сеть восстанавливается, генератор сам затихает и сразу понятно, что теперь с питанием всё хорошо, да и бензин экономится
- После старта генератора ему надо дать время прогреться и только после прогрева давать ему нагрузку. Т.е. мне нужен был таймер включения АВР после подачи напряжения от генератора
- После восстановления напряжения в сети часто происходили повторные отключения через короткий промежуток времени, поэтому мне нужен был таймер, который бы выждал перед переходом с генератора на сеть некоторое время и не глушил сразу генератор
- Генератору, говорят, полезно перед выключением немного поработать без нагрузки. И для этого мне тоже нужен был таймер
Таким образом вырисовывалась картина, что мне нужен контроллер с несколькими таймерами. В те времена я увлекался кодингом на AVR, поэтому решил сделать такой контроллер на Atmega 8a.
Хорошо бы, чтоб контроллер работал долго и надёжно. Кроме того, чтобы сделать полную гальваническую развязку и снабдить контроллер сторожевым таймером я ничего более не придумал. Ну и сделать схему и программу максимально простыми. Поскольку делалось всё для себя, то все настройки и калибровки решил оставить в коде — весь UI свелся к одному светодиоду )
Основная задача контроллера – мониторить напряжение на вводах и, при необходимости, переключать вводы. При этом приоритетным является ввод от деревенской сети.
Тут стоит отметить, что качество сети таково, что колебания от 150 в до 250 в вполне обычное явление. Поэтому понятие что есть хорошее питание от сети очень размыто. Через какое-то время я решил эту проблему, когда поставил на весь дом один мощный тиристорный стаблизатор напряжения на 11 кВт. Но, важно, стабилизатор можно ставить только до АВР, а не после! Включать стабилизатор для генератора категорически не рекомендуется. Есть опасность, что при определенной комбинации нагрузок, особенно всяких мощных насосов, система из генератора и стабилизатора станет неустойчивой и войдет в автоколебания.
После некоторых раздумий нарисовал такую схему в Eagle.

В схеме есть два идентичных трансформаторных источника питания, при наличии напряжения на любом из вводов схема обеспечена питанием. Между вводами возможно напряжение в 600в, поэтому изоляция трансформаторов должна быть хорошей. Питание берется после пакетников QF3 и QF4 соответственно.
У каждого источника есть резистивный делитель напряжения, защищенный от перенапряжения стабилитроном – с него производится путём нехитрых расчётов измерение напряжение сети с помощью АЦП микроконтроллера.
Для коммутации катушек контакторов применяется стандартная схема из даташита для управления семисторами. 2 штуки ). Катушки — это индуктивная нагрузка, поэтому цепи снаббера на выходе из резистора и конденсатора обязательны.
У меня был релейный модуль с али, который используется для останова генератора. На схеме он просто прямоугольник с тремя выводами.
Из особенностей еще в качестве генератора опорного напряжения использован TL431. В остальном всё включено стандартно для Atmega 8. Есть светодиоды для индикации наличия напряжения питания на вводах и один светодиод статуса устройства. Тактируется схема с помощью внешнего кварца на 16 МГц.
Eagle мне породил вот такую печатную плату. Никаких SMD, симисторы и стабилизатор с легкими радиаторами.

Два тороидальных трансформатора установлены прямо на плате. Плату изготовил традиционным радиолюбительским способом с помощью фоторезиста. После монтажа покрыл тремя слоями акрилового лака. Надеюсь не пробьет его высокое напряжение.
О программе управления
Код программы довольно длинный, извините.
Программа разработана с помощью бесплатного AVR Studio и использует стандартные библиотеки AVR.
В основном цикле программа проверяет напряжение на входах вводов, оценивает состояние включения контакторов, учитывает работу программных таймеров, производит необходимые корректировки включая или выключая реле и контакторы, затем уходит в спячку. Для отладки сделан вывод отладочной печати в последовательный порт микроконтроллера.
Для контроля зависаний предусмотрен сторожевой таймер.
Все циклы измерений сделаны на прерываниях и с использованием аппаратных таймеров. Счетчик секунд сделан на таймере 1. По прерыванию таймера 1 обновляются программные таймеры, отвечающие за задержки включения и отключения контакторов и реле генератора.
Второй таймер используется для создания эффекта мигания светодиода статуса. Предусмотрено три паттерна мигания. Значения из паттерна мигания берутся в прерывании таймера 2. По миганию можно судить о состоянии контроллера.
Два АЦП также работают по таймерам и усредняют по 2500 сэмплов измерений напряжения. Для перевода измерений в реальные вольты предусмотрены калибровочные константы. Их значения надо исправить в ходе настройки АВР.
Кроме того, есть еще ряд констант, которые нужно определить в ходе наладки.
Реле останова генератора при работе от генератора держится включенным, блокируя поступление напряжения на цепь останова генератора. После завершения работы таймера работы генератора на холостом ходу, реле выключается и на цепь останова генератора через это реле начинает поступать ток. На самом генераторе стоит специальный блок, который после появления напряжения с некоторой задержкой замыкает цепь зажигания на массу, что приводит к останову генератора. Этот же блок содержит цепь подзаряда аккумулятора генератора. Если кому интересны детали, напишите в комментах, я сделаю отдельный пост об этом блоке. В нём нет кода, всё аппаратно.
Если кто-то надумает повторить АВР, то стоит подкорректировать значения настроек. Готовую прошивку не публикую, так как программу всё равно надо править в ходе настройки АВР.
Надо сказать, что мой АВР работает уже 4 года без проблем, так что схема можно считать проверенная как и код.
БЛОГ ЭЛЕКТРОМЕХАНИКА
Студенческий блог для электромеханика. Обучение и практика, новости науки и техники. В помощь студентам и специалистам
- главная
- инфо
- блог
- словарь электромеханика
- электроника
- крюинговые компании
- Одесса/Odessa
- Николаев/Nikolaev
- Обучение
- Предметы по специальности
- АГЭУ
- АСЭЭС
- Диагностика и обслуживание судовых технических средств
- Мехатронные системы
- Микропроцессоры
- Моделирование электромеханических систем
- МПСУ
- САЭП
- САЭЭС
- СДВС
- СИВС
- Силовая электроника
- Судовые компьютерные ceти
- СУЭ и ОСУ
- ТАУ
- Технология судоремонта
- ТЭП
- ТЭЭО и АС
- Общие предметы
- Безопасность жизнедеятельности
- Высшая математика
- Ділова українська мова
- Интеллектуальная собственность
- Культурология
- Материаловедение
- Охрана труда
- Политология
- Системы технологий
- Судовые вспомогательные механизмы
- Судовые холодильные установки
- I курс
- конспекты
- ргр
- контрольные
- лабораторные
- курсовые
- зачёты
- экзамены
- II курс
- конспекты
- ргр
- контрольные
- лабораторные
- курсовые
- зачёты
- экзамены
- III курс
- конспекты
- ргр
- контрольные
- лабораторные
- курсовые
- зачёты
- экзамены
- IV курс
- конспекты
- ргр
- контрольные
- лабораторные
- курсовые
- зачёты
- экзамены
- V курс
- конспекты
- ргр
- контрольные
- лабораторные
- курсовые
- зачёты
- экзамены
- Предметы по специальности
- Теория
- английский
- интернет-ресурсы
- литература
- тематические статьи
- Практика
- типы судов
- пиратство
- видеоуроки
- мануалы
- морской словарь
- технический словарь
- история
- новости науки и техники
- авиация
- автомобили
- военная техника
- робототехника
11.11.2015
Автоматические системы регулирования напряжения генераторов с корректором напряжения
Во время работы напряжение синхронных генераторов зависит от тока нагрузки, коэффициента мощности, частоты вращения и сопротивления обмоток всех элементов системы возбуждения. Изменение сопротивления обмоток во время работы системы возбуждения зависит от температуры нагрева. Если фазовые компаундирующие устройства автоматически регулируют напряжение по воздействию тока нагрузки и коэффициента мощности, то для учета остальных факторов, влияющих на напряжение генератора, дополнительно применяются корректоры напряжения.
Автоматический бесконтактный регулятор напряжения УБК-М поддерживает постоянное напряжение синхронных генераторов в эксплуатационных режимах судовой электростанции.
Он предназначен для судовых синхронных генераторов с машинными возбудителями, работает по принципу быстродействующего управляемого фазового компаундирования с корректором напряжения.
Регулятор УБК-М (рис. 1) состоит из трансформатора фазового компаундирования Т1 и трансформатора тока Т2 с выпрямителем U2, предназначенных для подмагничивания усилителя А и корректора напряжения Т3, U3, U4. Трансформатор Т1 имеет две первичные токовые обмотки L1 и L2, включенные в две фазы генератора G2 (с соответствующей геометрической разностью токов в этих обмотках), и первичную обмотку напряжения L3, которая питается от линейного напряжения генератора через дроссель L4 с регулируемым воздушным зазором и резистор R3. Вторичная обмотка трансформатора L5 через выпрямитель U1 питает обмотку возбуждения возбудителя LG1.

Корректор напряжения состоит из измерительного трансформатора Т3 с контуром частотной компенсации и магнитного усилителя А, воздействующих на обмотку подмагничивания L6 трансформатора Т1.
Током выхода трансформатора Т1 управляют, изменяя его подмагничивание, которое зависит от тока обмотки управления L6. Например, при увеличении подмагничивания уменьшается индуктивность обмотки трансформатора и увеличивается ток выхода. Таким образом, трансформатор Т1 обеспечивает управляемое фазовое компаундирование генератора, т. е. при возрастании тока нагрузки или уменьшении коэффициента мощности он увеличивает возбуждение генератора.
К преимуществам регуляторов УБК-М относится большая надежность благодаря отсутствию у них подвижных механических устройств и контактов. Регуляторы имеют высокую чувствительность и обеспечивают устойчивую параллельную работу генераторов, а также максимальное возбуждение при значительных провалах напряжения на шинах электростанции.
Главная особенность системы автоматических регуляторов напряжения УБК-М, РНА-65, а также РУН — возможность применения их лишь при наличии возбудителя, который существенно снижает надежность установки и быстродействие системы регулирования, значительно увеличивает массу и габаритные размеры.
Синхронные генераторы трехфазного тока типов МСС, МСК, и ГСС имеют статическую систему самовозбуждения автоматического регулирования напряжения. Она работает по принципу фазового компаундирования с применением трехобмоточного трехстержневого трансформатора, силовых полупроводниковых выпрямителей (рис. 2). Основные элементы системы: G — синхронный генератор, VI—V6 — выпрямители, С1— СЗ — конденсаторы, Т — трансформатор фазового компаундирования, имеющий три обмотки: L1, включенную последовательно в статорную обмотку генератора; L2, включенную последовательно с конденсаторами на напряжение генератора, и L3, обеспечивающую питанием обмотку возбуждения генератора.
Принцип самовозбуждения синхронных генераторов, так же как и генераторов постоянного тока, основан на использовании остаточного магнитного поля. Так как сопротивление выпрямителей при малых токах гораздо больше, чем при номинальном, то для начального возбуждения генератора необходимо, чтобы э. д. с., наводимая в обмотке, была достаточно большой. Это достигается включением последовательно с обмоткой L2 конденсаторов С.
Реактивные сопротивления обмотки и конденсаторов подобраны таким образом, что при пуске генератора, когда частота тока в обмотке L2 достигнет 80% номинальной, в контуре наступит резонанс напряжений. Поэтому, несмотря на то, что напряжение, индуцируемое за счет остаточного поля, будет незначительным, по обмотке L2 пройдет большой ток. Вследствие этого в обмотке L3 наводится достаточная э. д. с., и генератор самовозбудится.

При работе генератора э. д. с., индуцируемая в обмотке L3, а следовательно, и ток в обмотке возбуждения генератора зависят от результирующей намагничивающей силы, создаваемой обмотками L1 и L2. Эти обмотки рассчитаны и включены таким образом, что при увеличении тока нагрузки генераторов или при снижении коэффициента мощности (соs ф) увеличиваются результирующая намагничивающая сила и э. д. с., наводимая в обмотке L3. Вследствие этого возрастают ток возбуждения и напряжение генератора. Для повышения точности регулирования в подобные системы фазового компаундирования вводят корректор напряжения.
Рассмотренная система позволяет уменьшить массу и габаритные размеры судовых дизель-генераторных установок, а также провалы напряжения в судовых электрических сетях.
Системы самовозбуждения генераторов имеют также устройство, обеспечивающее равномерное распределение нагрузок при параллельной работе генераторов. Такие системы отличаются большим быстродействием, что достигается исключением возбудителя из системы регулирования.
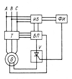
Автоматические системы регулирования напряжения с тиристорами
На новых судах применяются автоматические системы регулирования напряжения с тиристорами. Применяются различные схемные решения системы регулирования напряжения с использованием тиристоров. Регулирование по отклонению напряжения генератора выполняется путем сравнения регулируемого и эталонного напряжения с выдачей управляющего сигнала на систему управления тиристором. Эталонное напряжение устанавливается с помощью стабилитронов. Структурная схема тиристорного регулятора напряжения (рис. 3) имеет следующие элементы: ИБ — измерительный блок; ФИ — формирователь импульсов; БП — блок питания; Т — трансформатор; V — тиристор управления. Выходной сигнал измерительного блока преобразуется в сигнал управления тиристором с последующим регулированием тока обмотки возбуждения генератора.

В судовых генераторах применяется система амплитудно-фазового компаундирования с тиристорным управлением корректора напряжения. Применение тиристорной коррекции напряжения повышает быстродействие и чувствительность системы автоматического регулирования напряжения судовых генераторов.
В настоящее время в судовых электростанциях устанавливают бесщеточные синхронные генераторы типа ОС, а также типа S. Если в генераторах типов МСК, ГСС, МСС со статическими системами автоматического регулирования напряжения регулируемый ток возбуждения подается в обмотку возбуждения полюсов вращающегося индуктора (ротора) при помощи щеточных скользящих контактов, то в бесщеточных генераторах постоянный ток в роторе создается за счет индуцируемого тока в самом роторе. Принцип автоматического регулирования напряжения генераторов типа ОС, S показан на рис. 4.
С помощью системы автоматического регулирования напряжения АРН в зависимости от нагрузки на генератор G1 регулируется постоянный ток в обмотке LG1.2, установленной на специальных полюсах статора. При вращении ротора магнитный поток, создаваемый обмоткой LG1.2, индуцирует в трехфазной обмотке LG1.3 переменный ток. Выпрямленный ток в роторе при помощи выпрямителя V создает обмоткой возбуждения LG1.1 основной магнитный поток синхронного генератора. Самовозбуждение генераторов типов ОС, S осуществляется аналогично самовозбуждению генераторов типов МСК, МСС, ГСС с наличием щеточного механизма передачи постоянного тока возбуждения во вращающуюся часть машины.
Как подключить генератор трехфазного тока к сети дома
Участившиеся случаи пропадания электричества, а также необходимость подключения потребителей на 380 Вольт вынуждают жителей частного сектора применять трехфазный генератор. При этом нужно разобраться, как подключить электрогенератор к сетям загородного дома, воспользовавшись установленным в них оборудованием. Для решения проблемы следует ознакомиться с несколькими способами включения, практикуемыми жителями частных хозяйств.
- Разновидности генераторов
- Устройство и основные параметры генерации
- Как правильно выбрать трехфазный генератор
- Схемы подключения
- Подключение через дополнительный распределительный автомат
- Подключение через рубильник
- Схема автоматического переключения
- Через розетку
Разновидности генераторов

Бензиновый генератор DDE GG3300P
По виду используемого в агрегате топлива все известные генераторные устройства могут быть:
- бензиновыми;
- дизельными;
- агрегатами, работающими на газу или на дровах.
Первые два варианта привлекают внимание пользователей, взявших за основу готовый двигатель, работающий на бензиновом или дизельном топливе.
Устройства на газу и дровах менее эффективны при использовании в домашнем хозяйстве и применяются крайне редко.
По своему назначению известные образцы генераторов трехфазного тока делятся на основные и резервные агрегаты. Вопрос о способах включения в бытовую сеть касается и тех и других моделей.
Устройство и основные параметры генерации

Устройство трехфазного генератора
Трехфазный генератор представляет собой устройство, работающее по принципу преобразования механической энергии вращающегося вала в электричество. В его состав помимо связанной с приводом подвижной части входят три катушки, набранные из множества обмоток и размещенные на сердечнике статора. В бесколлекторных генераторах при вращении ротора в катушках наводятся ЭДС, по своим параметрам соответствующие нормативам 3-х фазного сетевого питания. Это означает следующее:
- получаемые напряжения имеют форму синусоиды;
- амплитуда каждой из 3-х фаз равна 220 Вольт;
- напряжение между ними составляет 380 Вольт;
- частота генерируемых колебаний – 50 Герц.
Конструктивной особенностью таких агрегатов является сдвиг между фазами, равный 120 градусам.
С катушек статора в обслуживаемую линию подается переменное напряжение, обеспечивающее ее необходимым питанием 380 Вольт.
Как правильно выбрать трехфазный генератор

Дизельный генератор трехфазный PACIFIC I T16K, SDMO (Франция) 11,6 кВт
При выборе фирменных агрегатов придется учесть следующие характеристики:
- вид энергоносителя;
- выходная мощность устройства;
- наличие дополнительных функций.
Вид топлива выбирается с учетом конкретных условий эксплуатации (удобства хранения горючего в жилом доме). Выходная мощность приобретаемого агрегата подбирается с учетом предполагаемой нагрузки, этот показатель варьируется от 5 до 6 кВт на каждую однофазную ветвь. При знакомстве с дополнительным функционалом особое внимание уделяется следующим возможностям:
- регулировка параметров 3-х фазного напряжения (его формы, в частности);
- возможность подключения дополнительных линий (нагрузочная способность);
- наличие электромагнитного реле-регулятора.
Важно убедиться в том, что в выбранной модели имеются приборы индикации, позволяющие визуально контролировать уровень каждого из напряжений.
Схемы подключения
Разобравшись со вспомогательными вопросами, переходят непосредственно к подключению генератора к обслуживаемой линии.
Подключение через дополнительный распределительный автомат

Схема подключения автоматов от линии и генератора практически одна и та же, что позволяет ничего не изменять в действующей трехфазной электросети. Этот подход к включению в сеть частного дома является самым надежным и гарантирует успешную работу подсоединенного к ней оборудования. Для его реализации потребуется проделать следующие операции:
- Отключить вводный автомат 380 Вольт, обесточив домашнюю сеть.
- Установить в щитке новый 4-хполюсный автомат, выходные клеммы которого соединяются отрезками проводников с входными контактами всех линейных приборов.
- Кабель с выхода генератора с 4-мя жилами (3 фазы и нуль) подводится к новому автомату и каждая из них подключается к соответствующей клемме.
Если далее по схеме установлено УЗО, при проведении коммутаций учитывается разводка подключаемых к нему проводников (каждой из 3-х фаз и нуля).
Подключение через рубильник

Монтаж через рубильник
Перекидной рубильник – это тот же переключатель, но имеющий три положения. При его применении шины от генераторного устройства подсоединяются к одному комплекту полюсов, а подводящие жилы от высоковольтной линии – к другому. Центральный контактный набор выключателя, проводники от которого идут непосредственно к нагрузке, поочередно перекидывается в сторону ввода от ВВ или к генераторной подводке. В среднем положении рубильника вся домашняя сеть полностью обесточена.
Схема автоматического переключения
Избавиться от необходимости ручного выбора источника питания удается за счет использования схемы автоматического переключения подсоединяемой к нему нагрузки. В ее состав как минимум входят модуль управления и два пускателя (контакторы) с перекрестным подключением. Первый из этих узлов, изготавливаемый на основе микропроцессора, полупроводниковых транзисторов или аналоговых микросхем, выполняет следующие функции:
- распознавание ситуации с пропаданием электричества в основной питающей линии;
- последующее за этим отключение от нее потребителя;
- переключение его на отвод от 3-х фазного генератора.
Через розетку

Чтобы подключить генератор к сети дома через розетку, потребуется внимательно ознакомиться с особенностями применения этого метода. Несмотря на свою простоту и удобство подключения, этот вариант имеет множество отрицательных сторон, выражающихся в следующем:
- необходимость постоянно следить за тем, чтобы вводный автомат был выключен;
- потребность в приобретении специальной 4-х полюсной розетки, рассчитанной на большие токи;
- ограничения по подключаемой к генератору нагрузке.
Способ включения через розетку является худшим из всех возможных. Его применение недопустимо при любых условиях.
Трехфазный генератор – принцип работы и его устройство
Тот, кто незнаком с генераторами, объясняем, что это агрегат, в котором из одного вида энергии получается другая. А, точнее, из механической электрическая. При этом эти приборы могут генерировать как ток постоянный, так и ток переменный. До середины двадцатого века использовались в основном генераторы постоянного тока. Это были аппараты больших размеров, которые работали не очень хорошо. Появление на рынке диодов полупроводникового типа позволило изобрести трехфазный генератор переменного тока. Именно диоды позволяют выпрямить переменный ток.

Принцип работы
В основе работы трехфазного генератора лежит закон Фарадея – закон электромагнитной индукции, который гласит, что электродвижущая сила будет обязательно индуцироваться во вращающейся прямоугольной рамке, которая установлена между двумя магнитами. При этом делается оговорка, что магниты будут создавать вращающееся магнитное поле. Направление вращения и рамки, и магнитного поля обязательно совпадают. Но электродвижущая сила будет возникать и в том случае, если рамка останется неподвижной, а внутри нее вращать магнит.
Чтобы разобраться, как работает генератор, обратите внимание на рисунок ниже. Это простейшая схема его работы.

Здесь хорошо видны магниты с разными полюсами, рамка, вал и токосъемные кольца, с помощью которых производится отвод тока.
Конечно, это просто схема, хотя лабораторные генераторы так и создавались. На практике же обычные магниты заменяют электромагнитами. Последние – это медная обмотка или катушки индуктивности. Когда по ним проходит электрический ток, образуется необходимое магнитное поле. Такие генераторы установлены во всех автомобилях (это для примера), чтобы их запустить, под капотом устанавливается аккумулятор, то есть, источник постоянного тока. Некоторые модели генераторов запускаются по принципу самовозбуждения или при помощи маломощных генераторов.
Схемa генерaторa переменного токa
Разновидности
В основе классификации заложен принцип действия, поэтому эти агрегаты переменного тока делятся на два класса:
- Асинхронные. Это самые надежные в работе, небольших размеров и веса, простых по конструкции генераторы. Они прекрасно справляются с перегрузками и коротким замыканием. Правда, необходимо учитывать, что данный вид сразу же выходит из строя, если на него будет действовать большая перегрузка. К примеру, пусковой ток электрооборудования. Поэтому стоит учитывать этот факт, для чего придется приобретать генератор мощностью большей раза в три или четыре, чем потребляемая мощность оборудования при запуске.
- Синхронные. А вот этот вид легко справляется с краткосрочными нагрузками. Такой генератор может выдержать перегруз раз в пять или шесть. Правда, высокой надежностью он не отличается по сравнению с асинхронным вариантов, к тому же он является обладателем больших размеров и массы.
Конечно, в данном разделении лежит принцип работы агрегата. Но есть и другие критерии.

- Однофазный.
- Двухфазный.
- Трехфазный.
- Многофазный (обычно шесть фаз).
- Сварочный.
- Линейный.
- Индукционный.
- Стационарный.
- Переносной.
Устройство трехфазного генератора
В принципе, устройство трехфазного генератора переменного тока достаточно простое. Это корпус с двумя крышками с противоположных сторон. В каждой из них проделаны отверстия для вентиляции. В крышках устроены ниши под подшипники, в которых вращается вал. На передний конец вала устанавливается передаточный элемент. К примеру, на автомобильном генераторе установлен шкив, с помощью которого вращение передается от двигателя внутреннего сгорания на генератор. На противоположном конце вала производится передача электрического тока, ведь вал в этом случае выступает как электромагнит с одной обмоткой.
Передача производится через графитовые щетки и токосъемные кольца (они из меди). Щетки соединены с электрорегулятором (по сути, это обычное реле), который регулирует подачу напряжение 12 вольт с требуемыми отклонениями. Самое важное, что реле не повышает и не понижает напряжение в зависимости от скорости вращения самого вала.

Так вот если говорить о трехфазных генераторах переменного тока, то это три вот таких однофазных. Только трехфазный агрегат имеет обмотку не на роторе (валу), а в статоре. И таких обмоток три, которые сдвинуты относительно друг друга по фазе. Вал, как и в первой конструкции, выполняет функции электромагнита, который питается через контакты скользящего типа постоянным током.
Вращение вала создает в обмотках магнитное поле. Электродвижущая сила начинает индуцироваться, когда происходит пересечение магнитного поля обмоток с ротором. А так как обмотки располагаются на статоре симметрично, то есть, через каждые 120º, то соответственно и электродвижущая сила будет иметь одинаковое амплитудное значение.
Управление напряжением генератора 380 в

Если питание должно поступать и к однофазным, и к трехфазным приборам (инструментам, станкам), то нужен генератор трехфазный. Он способен запитать разную по фазности технику, как на 220 Вольт, так и на 380 Вольт — вот, что значит трехфазный генератор. Таким образом, при отсутствии тока в стационарной сети, вы сможете включать и перфоратор или дрель на 220В и бетономешалку на 380В, но только не одновременно, а поочередно. Трехфазный генератор – необходимое приобретение как для домашнего пользования, так и для производственных площадок.
Самодельный генератор, возможно ли это

Хоть электростанция трехфазная — агрегат весьма сложный, его можно собрать самостоятельно, изучив принцип работы генератора и имея доступные элементы и детали. Для этого используется асинхронный электрический двигатель.
Принцип работы основан на всем знакомой динамо-машине — заставить ротор вращаться принудительно. Как работает трехфазный генератор? На основе асинхронного двигателя. Для того, чтобы этот мотор, не включенный в сеть, заработал в роли источника электричества, нужно передать на его якорь вращательный момент. Крутящий момент возникает от любой механической энергии.
Лучший способ, как сделать трехфазный генератор — задействовать двигатель внутреннего сгорания. Причем, вы можете создать не только бензиновый генератор, а экономный газовый или мощный дизельный. Для подключения к двигателю используют амортизирующую муфту, чтобы ротор вращался не рывками, а плавно.
Даже больше — детально разобравшись, что такое трехфазный генератор, вы поймете, что механическую энергию можно получить не только от ДВС, а от совершенно бесплатных носителей. Это значит, что можно использовать энергию речки или ветра (если природные условия содействуют). В этом случае нужно собрать и установить турбину, ветряную или водяную. Получается отличная возможность сэкономить на оплате электроэнергии, получаемой от стационарной сети.
В некоторых населенных пунктах Украины для вращения ротора используют даже лошадей. Этот способ соорудить электрогенератор своими руками популярен среди определенных религиозных общин, которые принципиально не пользуются стационарным электричеством. Несколько запряженных коней вращают якорь, создавая нужную механическую энергию. Получается дешевая электроэнергия от живой конской силы.
Как работает генератор 380 Вольт собственного изготовления

При вращении ротора, в статоре возникает магнитное поле, формирующее ЭДС. Привод устроен так, что, если подсоединить к концам обмоток конденсатор, то по виткам начинает идти ток. Емкость конденсаторной батареи должна быть выше критического номинала, чтобы генератор был пригоден для активной нагрузки и выдавал симметричные трехфазные вольтажи.
Кроме этого показателя, на мощность электрогенератора влияет и двигатель, создающий крутящий момент, его конструкция и мощность.
Для продуцирования электричества 380 Вольт со стандартной частотой 50 Гц, скорость вращения якоря привода должна поддерживаться на определенном уровне. Магнитные силовые линии возникнут только при условии, что скорость выше асинхронной составляющей на коэффициент скольжения S (равен 2÷10 процентов) и соответствовать уровню синхронной частоты. В противном случае правильной синусоиды тока добиться невозможно, а ее искривление (скачки частоты) недопустимы, если подключаем к электростанции 380 Вольт приборы, оснащенные электрическими двигателями (дрели, перфораторы, болгарки, пилы). Если мотора нет, а только нагревательный ТЭН или лампа накаливания, то значение частоты и синусоида тока не настолько имеют значение.
Существует также вариант использования генераторов на 220 Вольт для оборотов электродвигателя. В этом случае, мы получаем самодельный трехфазный генератор из однофазного. Передача вращательного момента идет на якорь асинхронного трехфазного привода, в результате чего получается трехфазная сеть.
Какой асинхронный двигатель нужен: характеристики ротора и статора

Асинхронный трехфазный привод — основная база для генератора переменного тока. Очень часто такие моторы списываются на предприятиях, поэтому найти его можно за низкую цену или бесплатно. Обязательные условия выбора, какой у него ротор и статор:
- Ротор у такого движка может быть фазный или короткозамкнутый;
- Статор — с тремя отдельными медными обмотками. Соединение витков между собой допускается по типу «треугольник» или «звезда».
Устройство и принцип работы такого привода состоит в том, что ротор (якорь) — вращающийся элемент, статор — неподвижный. У них обоих основу составляют изолированные стальные пластины. На этих пластинах расположены пазы, в которых идут витки обмотки.
В статоре выходы витков нужно подсоединить в клеммную коробку и установить перемычки для соединения. Кабель для питания также устанавливают здесь.
К каждой фазе статора подсоединяются идентичные напряжения, смещенные на угол, который составляет примерно треть круга. Эти синхронные подводки отвечают за формирование тока в витках статора.
В роторе подключение зависит от особенностей его строения: фазный или короткозамкнутый.
- Фазный ротор. У такого ротора витки обмотки аналогичны, как у статора. Их выходы нужно смонтировать на кольца, которые проводят контакт и соприкасаются со схемой запуска и прижимными щетками. Конструкция получается непростая, с ней нужно повозиться. К тому же нужно постоянно наблюдать за частотой вращения и смотреть, не разомкнулись ли контактные кольца, не отошли ли прижимные щетки. Поэтому лучше выбрать ротор короткозамкнутого типа. Или же сделать короткозамкнутый якорь из фазного ротора. Для этого концы обмотки не подключают к кольцам, а сочетают между собой — коротят.
- Короткозамкнутый ротор. Как мы уже сказали, он более удобный для самостоятельного создания генератора, так как, в отличие от синхронного генератора, схема у него простая. Кольца-перемычки своими концами соединены и закорочены, подвижных прижимных щеток-контактов нет. Получается все очень просто и надежно, поэтому именно такой якорь и советуем выбирать для своей самоделки.
На что влияют схемы подключения

Схема трехфазного генератора в плане размещения обмоток на статоре мотора влияет на последующую работу устройства, определяет его технические характеристики.
- Электросхема соединения «звезда». Это стандартный тип соединения витков и очень популярный. Он самый практичный при подключении конденсаторной батареи. Ее присоединение можно выполнить:
- К двум обмоткам. В результате такой схемы асинхронные генераторы обеспечивают питание однофазным приборам (причем, двум группам) и трехфазным (одна линия). Клавиши выключателей для рабочего и пускового конденсатора — отдельные.
- К одной обмотке (по такой же схеме). Получим одну однофазную линию. И одну трехфазную.
- Схема подключения «треугольник» применяется для переключения обмоток для получения однофазного питания.
На какие характеристики двигателя еще нужно обратить внимание

Для надежной и стабильной работы генератора, сделанного своими руками, важны определенные технические характеристики двигателя. Они указаны на наклейке или же в паспорте (если он есть). Важные моменты, это:
- Класс защиты (обозначение IP). Чем меньше цифра — тем лучше корпус привода защищен о проникновения пыли и влаги.
- Мощность.
- Количество оборотов.
- Схема сочетания витков обмотки статора.
- Максимальные нагрузочные токи.
- Коэффициент полезного действия.
- Пусковой ток (коэффициент фи).
Все это следует выяснить, а если мотор старый и много лет использованный, то его нужно протестировать вольтметром, амперметром и «прозвонить» на предмет рабочего состояния.
Как просчитать мощность генератора

Чтобы работа самодельной электростанции была стабильной, нужно, чтобы ее номинальный вольтаж и мощность были одинаковыми в режимах генератора и электрического мотора. Перед тем, как выбрать конденсаторную батарею, нужно учесть:
- Реактивную мощность Q. Она равняется 2n*f*C*U2, где С — емкость конденсатора. Отсюда, нужная нам емкость С будет равна Q/2n*f *U2.
- Режим работы. Для того, чтобы в режиме холостого хода не возникала перегрузка обмоток и их перегрев, конденсаторные элементы подключают ступенчатым способом, в соответствии с нагрузкой.
Рекомендуемая нами марка пусковых конденсаторов — К78-17, с вольтажом 400 Вольт и выше. Допускаются и аналогичные по характеристикам металлобумажные элементы. Подключение их параллельное.
Батареи на электролите для переменного тока использовать не советуем. На них может работать генератор постоянного тока, а при переменном элементы электролитного конденсатора будут быстро выходить из строя.
Советы и рекомендации по соблюдению безопасности

Трехфазный вольтаж 380 Вольт — это большая опасность поражения человека и его смерти. Поэтому, безопасная эксплуатация самоделки — самое важное требование. Для ее гарантии необходимо выполнить такие условия:
- Управление единым электрощитом, в состав которого входят:
- Измерительные приборы: вольтметр (с максимумом не ниже 500 Вольт), амперметр и частотомер.
- Выключатели для взаимодействия нагрузок (три клавиши). Одна из них включает питание непосредственно к потребителю, а две других отвечают за подключение конденсаторных элементов.
- Систему защиты — автовыключатель, который срабатывает при коротком замыкании или перегрузке по мощности. Сюда также входит и устройство защитного отключения, которое должно сработать, если фаза пробьет на корпус.
- Надежное заземление к контуру земли.
- Система АВР. Для удобства работы и повышения безопасности, также советуем использовать автоматический ввод резерва. Он актуален, если вам нужно резервное питание в качестве генератора. Тогда он сможет самостоятельно включаться при исчезновении тока в стационарной сети, и так же автоматом отключаться при его появлении. АВР создают путем установки перекидного рубильника, который задействует все три фазы.
Советы по эксплуатации: какие трудности могут возникнуть

Частым проблемным явлением работы генератора является перегрузка по мощности. При ней идет интенсивный нагрев обмотки, пробой изоляции. Как следствие — поломка генератора. Возникает из-за:
- Неверного подбора емкости конденсаторной батареи;
- Подсоединения большого количества электротехники, суммарная мощность которой превышает номинальную мощность.
О правилах подбора емкости и расчетах мы уже говорили выше. А по проблеме перегруза по мощности в генераторе на три фазы, нужно отметить еще некоторые нюансы при подключении однофазных потребителей:
- Потребителей с вольтажом 220 Вольт можно подключать только на одну треть общей мощности (к примеру, если ген выдает 6 кВт, то это только для приборов на 380 Вольт, а для однофазных будет только 2 кВт, не больше). Иначе, возникнет перегрузка.
- Если у вашего генератора две однофазных линии, то вместе мощность по ним будет составлять 2/3 от общего показателя мощности. То есть, 6 кВт — это 4 кВт для однофазных, по 2 кВт на каждую фазу. Причем, при одновременном задействовании фаз, следите, чтоб нагрузка не отличалась от мощности до 10%, иначе возникнет явление «перекос фаз», и ток поступать не будет.
При работе важно следить за показателем частоты переменного тока. Если вы не встроили частотомер на общий электрощит, то на холостом ходу выходной вольтаж выше значения 380 Вольт (или 220 при подключении однофазных) на 4÷6 процентов.
Управление напряжением генератора 380 в
Для нормальной работы потребителей электрической энергии необходимо, чтобы значение частоты тока и напряжения соответствовали номинальным или, точнее, не выходили за допустимые пределы. Снижение частоты тока ведет к изменению частоты вращения электродвигателей, увеличению потребления мощности, а поэтому к их перегреву. Кроме того, на многих производствах изменение частоты вращения рабочей машины может самым пагубным образом сказаться на качестве выпускаемой продукции. Частоту тока на электрических станциях автоматически поддерживают на постоянном уровне при помощи регуляторов частоты вращения первичных двигателей.
Отклонение значения напряжения от номинального также приводит к нарушению нормального режима работы приемников энергии у потребителей. Известно, что вращающий момент электродвигателя пропорционален квадрату напряжения. Чтобы двигатель при снижении напряжения продолжал нести нагрузку, должно увеличиться скольжение, то есть уменьшиться частота вращения двигателя. Но при ее падении увеличивается потребляемый электродвигателем ток, что вызывает перегрев электродвигателя. Поэтому на электрических станциях наряду с устройствами регулирования частоты тока предусматривают устройства для регулирования напряжения.
В соответствии с ГОСТом в нормальном режиме работы допускаются отклонения значений частоты тока от номинального в пределах + 0,1 Гц. Временная работа энергосистемы возможна с отклонением частоты ±0,2 Гц. Для изолированно работающих станций мощностью до 100 и до 50 кВт допустимые отклонения частоты тока составляют соответственно +3 и +5 Гц.
Отклонения напряжения на зажимах приборов рабочего освещения, установленных в производственных помещениях и общественных зданиях, где требуется значительное зрительное напряжение, а также в прожекторных установках наружного освещения допускаются в пределах от —2,5 до +5% номинального. На зажимах электродвигателей и пускозащитной аппаратуры допускается отклонение напряжения в диапазоне от —5 до +10% номинального, а на зажимах остальных приемников—на ±5% номинального
В малоответственных сельскохозяйственных установках допустимые отклонения напряжения составляют от +7,5 до —7,5%.
Все рассмотренные выше схемы генераторов предполагают ручное регулирование напряжения, которое не может обеспечить надлежащего и своевременного контроля за изменением нагрузки. Современные синхронные генераторы оборудованы автоматическими устройствами, которые не только регулируют напряжение на зажимах генераторов, но и при необходимости увеличивают возбуждение до максимального значения в момент снижения напряжения (например, при аварийных режимах). Такие устройства называютавтоматическими регуляторами возбуждения (АРВ).
На маломощных сельскохозяйственных станциях устройства АРВ облегчают запуск короткозамкнутых электродвигателей. Они способствуют более быстрому восстановлению напряжения после отключения поврежденных участков электроустановки. Благодаря этому электрические двигатели, которые в момент аварии и понижения напряжения несколько притормозились, восстанавливают номинальную частоту вращения без нарушения технологического процесса — остановки рабочей машины.
Устройства автоматического регулирования возбуждения синхронных генераторов по принципу действия могут быть подразделены на три группы: 1) автоматические регуляторы напряжения; 2) устройства быстродействующей релейной форсировки возбуждения и 3) устройства компаундирования.
Нагрузка на генератор, определяемая числом и мощностью потребителей электроэнергии, постоянно изменяется. Увеличение нагрузки на генератор вызывает уменьшение частоты вращения первичного двигателя, а следовательно, и частоты тока. Наоборот, сброс нагрузки приводит к резкому возрастанию частоты вращения первичного двигателя и, значит, к увеличению частоты тока, в сети.
Для поддержания частоты тока на заданном уровне на электрических анциях устанавливают автоматические регуляторы частоты вращения первичных двигателей. Основным элементом аких устройств служит центробежный маятник, который воспринимает изменение частоты вращения первичного двигателя и через дополнительные устройства воздействует на орган, регулирующий частоту вращения. Регуляторы частоты вращения могут быть прямогоили косвенного действия.
![]()
Рисунок 10.9 иллюстрирует принцип работы регулятора прямого действия. При изменении частоты вращения (например, уменьшении) центробежный маятник М изменит свою первоначальную амплитуду (радиус) отклонения (показано
пунктиром) и через рычаг Р воздействует на задвижку 3, регулирующую поступление горючей смеси в цилиндры двигателя. Если нужно изменить нагрузку двигателя при постоянной частоте вращения, регулируют натяжение пружины П.
Регуляторы прямого действия применяют на двигателях малой мощности. Для поворота регулирующих клапанов паровых турбин или лопаток направляющего механизма гидротурбин энергии маятника недостаточно. В этом случае применяют регуляторы косвенного действия. Центробежный маятник воздействует на промежуточный механизм привода регулирующего органа первичного двигателя (серводвигатель).
Для автоматического регулирования напряжения на генераторах сельских электрических станций применяют обычно регуляторы напряжения реостатного, вибрационного и комбинированного типов. Изготавливают также электронные регуляторы.
Среди регуляторов напряжения угольный регулятор — один из самых простых и дешевых, однако область его применения ограничена станциями малых мощностей. Это регулятор прямого действия, так как он воздействует непосредственно на возбуждение возбудителя.
Такой регулятор (рис. 10.10, а) состоит из угольного реостата 4, полупроводникового выпрямителя 1, электромагнита 6 с рычагом 2 и пружиной 5. Угольные столбики реостата набраны из отдельных угольных шайб. Сопротивление этих столбиков зависит от степени сжатия шайб. Чем больше давление на столбики, тем меньше сопротивление реостата (и наоборот). Давление на угольные столбики создается тягой 3 и пружиной 5. Если электромагнит 6 включен, то якорь рычага 2 притягивается к сердечнику электромагнита, пружина 5 натягивается, а тяга 3, поднимаясь, уменьшает степень сжатия угольных шайб. Таким образом, и повышении напряжения в сети возрастает сила притяжения якоря, следовательно, уменьшается степень сжатия шайб в угольном реостате, возрастает его сопротивление и снижается ток в цепи возбуждения возбудителя В. Значение напряжения на зажимах генератора Г уменьшается до номинального.
![]()
Если нагрузка на генератор возрастает, напряжение его несколько спадает, сила притяжения электромагнита уменьшается, пружина 5 увеличивает сжатие угольных шайб в столбиках реостата и сопротивление реостата уменьшается. Поэтому усиливается ток возбуждения возбудителя и напряжение на зажимах генератора возрастает до номинального. Угольный реостат типа РУН рассчитан на номинальные напряжения 115 и 230 В.
При параллельной работе генераторов для повышения устойчивости работы агрегатов в схеме включения угольного реостата возбуждения предусматривается специальное устройство (компенсатор реактивной мощности), предупреждающее возрастание реактивной нагрузки при изменении возбуждения. Этой цели служит трансформатор тока ТТ, включенный в фазу В. Вектор напряжения в этой фазе UB сдвинут на угол 90° по отношению к вектору напряжения UAc между фазами А и С (рис. 10.10, б). При cosφ =0, то есть если ток будет сдвинут по отношению к напряжению на 90°, во вторичной цепи трансформатора тока ТТ появится ток IB, совпадающий по направлению с напряжением UAc, питающим селеновый выпрямитель, и угольный реостат возбуждения воспримет это увеличение реактивной мощности как повышение напряжения. Реостат сработает на снижение возбуждения, а следовательно, и уменьшение реактивной мощности.
Стабилизирующий трансформатор СТ предназначен для сглаживания толчков тока и напряжения в момент регулирования напряжения. Этот трансформатор выполняет роль демпфирующего устройства в период регулирования возбуждения.
Кроме угольного реостата типа РУН, применяются реостатные регуляторы с проволочным резистором, имеющим отпайки от отдельных секций. Электромагнит регулятора в зависимости от значения напряжения на зажимах генератора вызывает замыкание или размыкание контактов, которые шунтируют отдельные секции реостата, включенного в обмотку возбуждения возбудителя. Этот реостат рассчитан на ток до 2 А и состоит из десяти секций (ступеней) сопротивлением 3 Ом каждая. Такой регулятор применим для отдельно работающих генераторов мощностью до 60 кВ•А. Использовать их при параллельной работе не рекомендуется, поскольку отсутствует устройство для выравнивания реактивных мощностей. При колебаниях нагрузки от нуля до номинальной напряжение генератора поддерживается на уровне ± 2.5%.
Вибрационные регуляторы напряжения типа АВРН предназначены для генератора мощностью До 60 кВ • А. Точность их регулирования ± 5% при изменении нагрузки от нуля до номинальной и колебаниях частоты тока в пределах ±20%. Комбинированные регуляторы напряжения сочетают в себе особенности регуляторов двух, первых типов.
